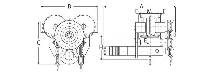
Troliu de tragere cu lanț tip PRO-GT
Descriere
Se pot utiliza pentru orice tip de profil „I“ sau „H“.
Asigură o deplasare uşoară a sarcinilor pe orizontală datorită lanţului de manevră.
Temperatura de lucru este între –10°C și +50°C.
Sunt confecționate conform SR EN 13157:2010.




