Port palan electric monoșină tip PRO-CV

ImprimareEmail
Descriere

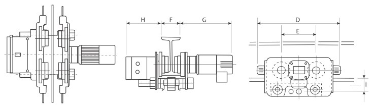
Este echipat cu discuri de frână standard. Se fixează în jurul grinzii cu role de siguranţă.

Roţile portpalanului permit utilizarea pe grinzi tip „I“ sau „H“.

Opţional, poate fi echipat cu pornire/ oprire silenţioasă a motorului.

Terminația 1 din codul modelului reprezintă portpalanul cu simplă viteză, iar terminația 3 reprezintă portpalanul cu dublă viteză.